PROYECTOS ELECTRICOS
Toda instalación eléctrica debe de contar con un proyecto eléctrico (planos y memorias técnico descriptivas) en MAXWELL INGENIERIA Realizamos tu proyecto eléctrico en media y baja tensión conforme a la NOM-001-SEDE-2012
Planos de distribución de contactos, luminarias, equipos de A/A, motores y bombas
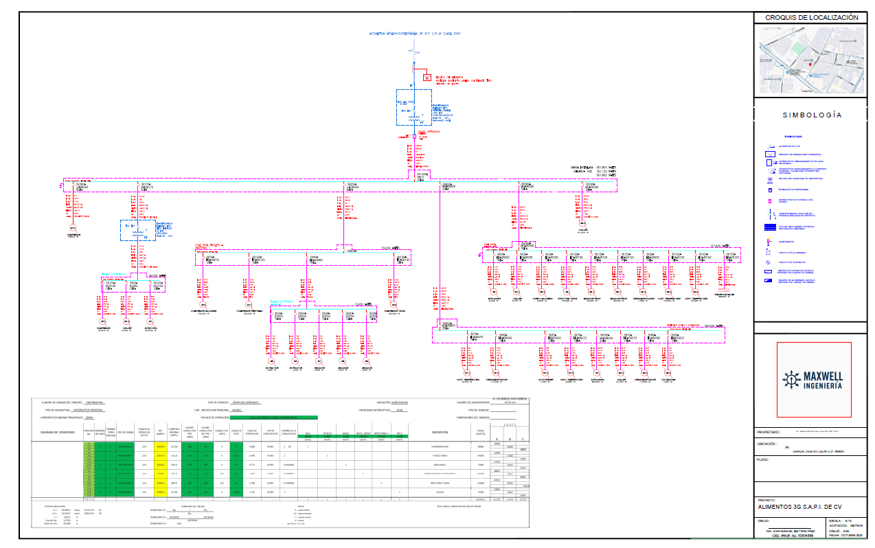
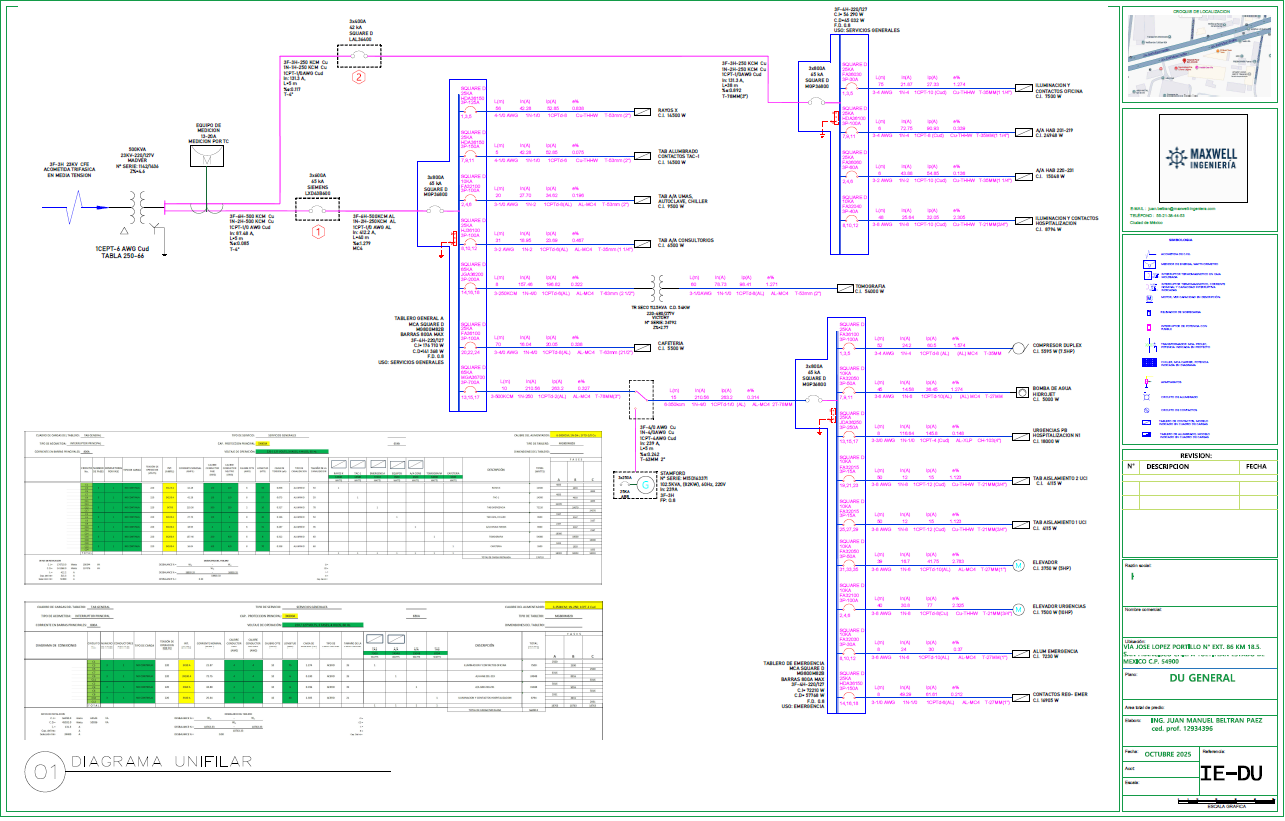
Diagramas unifilares
Cuadro de cargas
Memorias de calculo
Memorias técnico-descriptivas
PLANOS DE DISTRIBUCIÓN
DIAGRAMAS UNIFILARES
DISEÑOS 3D

